一、产品简介
YMC-17N-A2卡箍式平膜型压力变送器采用进口不锈钢隔离膜片的高精度力敏芯片,经激光调阻和一定的信号处理,输出工业标准的4~20mA信号。 该产品主要适合对粘稠介质压力的测量。传感器平膜结构可防止粘稠液体堵塞、结垢及不卫生等情况发生。传感器连接接口为卡箍式,安装方便,该变送器可广泛应用于医药、食品、轻纺等领域对气体、液体压力自动化测量与控制。
二、技术性能
| 量程范围 | 0~±10、35…1000(KPa | 精确度 | ±0.2%F.S ±0.3%F.S ±0.5%F.S |
| 0~2、20…60(MPa) | 长期稳定性 | ≤±0.2%F.S/年 | |
| 过载压力 | ≤200%FS | 介质温度 | -20~+85℃ |
| 测量介质 | 与316L不锈钢兼容的各种粘稠介质 | 响应时间 | ≤1ms |
| 输出信号 | 4~20mA 0~10mA 二线制 | 压力接口 | 螺纹式 、卡箍式、法兰式 |
| 1~5VDC 0~5VDC三线制 | 电气接口 | 赫斯曼接头、接线端子 | |
| 供电电压 | 12~36VDV(标定值为+24VDV) | 防护等级 | IP65 |
三、产品特点
●316L不锈钢隔离膜片结构
●平膜设计适合多种粘稠介质
●介质接触面积大、卡箍式连接
●过程连接与国际接轨
●具有零点、满量程可调
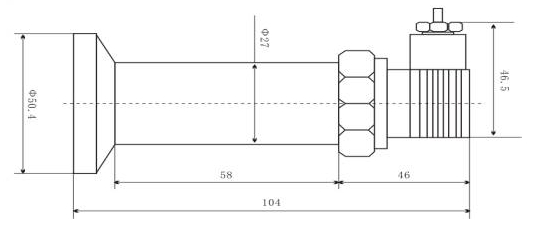
四、外形尺寸

五、产品选型
| YMC-17N-A2 | 卡箍式平膜型压力变送器 | |||||
| GO | 表压 | |||||
| G1 | 绝压 | |||||
| o~X(MPa | 量程 | |||||
| D05 | ±0.5%FS | |||||
| D03 | ±0.3%FS | |||||
| D02 | ±0.2%FS | |||||
| T1 | 4~20mA输出 | |||||
| T2 | 1~5V输出 | |||||
| A1 | M20*1.5 | |||||
| A2 | 卡箍接口 | |||||
| A3 | 法兰接口 | |||||
| A0 | 特殊接口 | |||||